Предупреждение Для обеспечения высокого уровня обслуживания на этом сайте используются куки (cookies). Продолжая его использование, вы соглашаетесь с тем, что куки (cookies) будут сохраняться на вашем компьютере: Принять
8 (800) 333 44 53 info@zamok.su

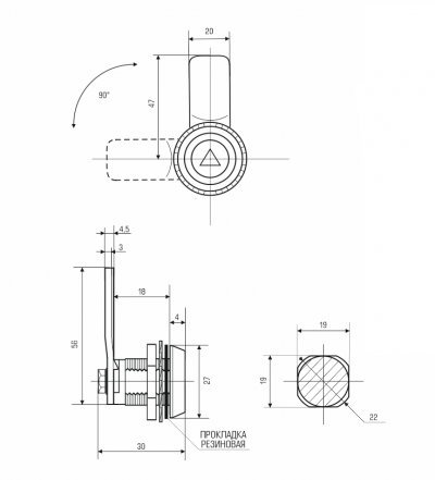
Щитовой замок MS-705-3 С

0073 CN
Оптовые цены:
Кол-во 1+ от 72 шт. средний опт крупный опт
Цена 90 Р 75.00 ₽

Запрос доступа

Задать вопрос
Вес: 81.000 гр
В наличии
+
Запрос 3D модели

Описание замка :

Щитовой замок серии 705 с цельнометаллическим ключом. Имеет два уплотнительных резиновых кольца, внутреннее и внешнее. Внешнее резиновое уплотнительное кольцо, позволяет замку плотно прилегать к поверхности дверцы. Внутреннее уплотнительное кольцо не позволяет пыли и влаге проникать внутрь. Степень защиты замка IP66. У данной модели тип ключа "треугольник", одним ключом можно открыть любой замок данной модели,это значительно облегчает работу обслуживающих компаний, и позволяет не иметь при себе лишние связки ключей.

Сфера применения:

Электротехника: комплектные трансформаторные подстанции (КТП), блочные комплектные трансформаторные подстанции (БКТП), вводно-распределительные устройства (ВРУ), щиты освещения ЩО-70, шкафы оперативного тока (ОПУ), камеры сборные одностороннего обслуживания (КСО) и прочие электротехнические шкафы; Металлическая мебель и стальные конструкции; Серверные и телекоммуникационные шкафы, дата-центры; Генераторы и компрессоры; Транспортная отрасль: производство вагонов и автомобилей; Шкафы систем кондиционирования воздуха; Различное промышленное оборудование.

Монтажное отверстие для установки замка:

Диаметр: 22 мм
По срезам 19,5 мм

Аналог MESAN:
060-1-1-38-30
Аналог OSKAR:
201-11-11-17-05
Степень защиты:
IP66
Длина цилиндра :
18 мм
Диаметр цилиндра:
22 мм
Полная длина ригеля "язычка":
55 мм
Форма ригеля "язычка":
прямой
Угол поворота:
90°
Материал ключа:
сплав ЦАМ
Способ крепления замка:
гайкой
Изъятие ключа в открытом положении:
  • вынимается
Материал корпуса:
сплав ЦАМ
Кол. ключей в комплекте:
1 шт
Секретность
:
1 единиц
Тип системы замка
:
мастер
Количество в упаковке:
240 шт
Название модели:
705
Страна производитель:
Китай
Вес единицы товара:
80 гр

Сообщения не найдены

Написать отзыв

0073 C (0073_C-_Замок_мебельный_щитовой_MS-705-3_С.STEP, 821 Kb) [Скачать]

За ту же цену!

90.00 
90.00 
95.00 
90.00